- 2025
- Apr
- 9
Photos from the 69th annual CFARC hamfest.
This year’s show seemed to be pretty crowded. Prices were still good, but were certainly rising - people’s enthusiasm for a better economy is starting to show. The flood of CBs has started to slow down, and some older radio sets seem to have dropped in price quite a bit. Other than that, it was a good mix of old and new, and worth the drive.
.
This year, we even made it over to what was, up until a week before, the last freestanding Arthur Treacher’s Fish and Chips shop in the world. It was just like I remember from the 80s. This is going to be a regular stop when we are in town!
Next two shows are TUSCO in Dover, Ohio, and then ACARA in Athens, Ohio - both back to back on the 26th and 27th of April. After that, it’s Dayton!
See you there!
- 2025
- Apr
- 7
I’m not going to “just ground it!” because the Internet says so.
Recently, I had someone on a forum quite emphatically indicate to me that I was doing it wrong, and that I should ground (earth) everything - also indicating that I should just use IEC connectors and cut holes in irreplaceable chassis units and simply “Make some paint.” I then got the reddit response of “Gulp!” and “Who told you that?” when I said I just use isolation and let things float, and that no holes shall be cut.
Well, thank you - but I’m not going to do that. One, I don’t want to destroy equipment. If you want to after I’m dead, that’s your decision.
But also, I’m not going to ground everything. You don’t ground everything because you can. This was in relation to the Heathkit AF-1 that’s I’m currently rebuilding. It has some quirks that don’t really allow that to happen. And, I learned a different way. Just because the internet tells you that every capacitor is bad, and that every device has to be earthed, doesn’t mean you do it.
Who told me that you don’t ground everything? Two people, actually.
The first gentleman was a rusty crusty old military man that spent his second career working for Rockwell before they shut his shop down in the 90s. Mr. Lehman was the maintenance guy for electronic controls, and had seen it all - everything from tubes to modern (for the time) DCS. I got involved with him because he was a friends father, and I had an amplifier that was floating 70VAC above ground. You’re probably familiar with this, it’s either because the grounding is improper or something is leaking. When I took this amp to him in the early 80s, he poked at it for a moment and said “This stuff wasn’t necessarily built well. There were rules, but they didn’t always follow them because they didn’t have to. You’ve either got something in here leaking or it’s just built that way. The stuff it was supposed to be connected to didn’t care, that’s why it’s all painted with plastic knobs.” We went over the device, he related how to check things to make sure that you COULD properly earth this device - in ths case, the transformer wasn’t leaking, it had a transformer, and you weren’t going to cause ground loops because earth and input were at differing potentials. He taught me about making sure that nothing in there is going to leak a lot of current if you ground it, and in this case it was just that the grounding in the device was crap. He said that in this case you can and should ground it, but you always need to make sure that you’re doing it for the right reasons - not just because you have an earth/safety ground.
Second, was my first electronics instructor. Mr. Norman had been around in electronics almost as long as there was electronics to be in. He too was a military guy that did his WWII term and went back into consumer electronics when he was discharged, having been in that same field beforehand. He was the local guy that RCA, GE, and the others gave the warranty projects to. He saw the peak of radio and the rise of television, and had more interesting stories than you could remember. One of the first things we did in his class was build an AA5 from one of those kits you used to be able to buy. Of course, they had been used and abused over the years, so we had to be careful - and this was before you had an Intenet source for tubes so all of the 35W4 had been replaced by diodes and a big honkin’ stack of resistors. (He said don’t do this because you strip cathodes, but for this we don’t care - you’re the last class that’s going to use these.) But those could be hot chassis sets, and they didn’t have polarized cords. I didn’t understand that at first, but it was because he was teaching us good practices. He showed us what happened if you accidentally touched or grounded a chassis that could be hot, and said you’ll not always have the ability to replace cords on customer devices with polarized cords. (This was when we still repaired TVs and stuff.) Best practice would be to put a polarized cord on that, but you don’t always have that option. (All of the stuff I get has a polarized cord replacement, even if the old one is still good.) He showed us what happened if you got differing potentials on things, and the damage you can cause if you’re trying to talk to something that doesn’t like being earthed. He taught us that you should ground things when you know you need it, and in some cases you’ll need to lift the ground. Again, he (in much more colorful terms because it was all guys) told us that you should always make sure you know WHY you’re grounding, not just because you can.
I learned about lifted grounds the first time I burnt out a very expensive isolated transceiver loop in a device I’d acquired.
That brings us to this chassis. Let’s say I ground it to earth.
In the manual, Heath warns us that the signal return is actually chassis. This is specifically called out as a note. It doesn’t say why, but it’s important. You’re expected to know why at this point, because this was considered to be an advanced kit and didn’t even include assembly instructions, just some guidelines. Why did they warn us? Because you could potentially see AC on the chassis. You could see high voltage DC on the chassis. Not from this device itself, but from the UUT. This device is transformer isolated.
DC return is also chassis. That doesn’t really matter for this case.
If I chassis ground this device (and no, it does not have the ground hole in the back and should not be grounded) then I run the risk of shunting something that doesn’t like to be grounded directly to ground because signal return is chassis. That’s the takeaway here. This device was not designed to be operated like this, and could be dangerous doing so.
The isolation transformer I use for all my testing is there so you don’t leak back to line.
I understand that some are not comfortable working with ungrounded equipment, and that’s ok. We all have the methods we use. My methods were taught to me in a world where you are absolutely going to run across things that leak, have hot chassis, or worse, and you may not be able to do anything about them. I was taught how to mitigate that, and I’d rather have all of my work floating hot on an isolated line than run the risk of accidentally connecting signal to ground and destroying things because I grounded something that wasn’t designed to be grounded.
That’s where I get my methods.
But also, some of the equipment I have could be grounded, if needed. Look on the back of a IG-72 signal generator. See that little hole by the cord, how it looks just the size of a Heathkit screw? That’s for a ground - IF YOU NEED IT, not just because you can - and you have to understand that it’s also using chassis for signal return. That’s the takeaway here. Don’t do it just because you can, make sure you’re doing it for necessary reasons.
(Here’s something from later me…I recently acquired another IG-72. and the previous owner changed the cord out for a grounded one. Why? They were a FAA certified repair shop, and needed everything to be referenced to a single ground. Floating delicate avionics could damage them. This time, it was appropriate to ground the device!)
The long and short here is this chassis is a good example of why you don’t just do the one-size-fits-all thing. In this case, grounding a chassis signal return could provide you with some sparks. Always be aware of WHAT you’re doing, and WHY you’re doing it.
- 2025
- Apr
- 4
High tariffs - high cost electronics parts - what’s this going to do to the hobbyist?
One of the concerns about high tariffs is this will destroy the hobbyist electronics crowd.
Up to about the 1960s, it (hobby electronics) was big because we made parts here and you could literally go to the corner store, and they might have had some small selections of parts - big parts houses were everywhere and cities tended to have a dealer or two for components and equipment where you could walk in the door and buy stuff.
The 60s-2000s were a dry spell as things started to move offshore and it became harder to get parts easily. Less exposure to the common man means less latent interest in the thing.
The last time I was able to walk in the door and get non-generic parts was in the very early 1990s when JW Electronics in Coshocton and the RCA SK dealer in Zanesville, Thompson Radio, closed their doors. Of course, there was always Radio Shack, but their parts selection dwindled over the years until vanishing completely - at best being a “I need it now and can make this work” stop.
All of those were kept alive until the bitter end by the inertia of their past sales, their commercial customers that used to buy components to fix things having long since faded away.
The 2000s started a boom. It’s cheap and easy to get those parts again - the “maker” movement is proof of that. But, with high tariffs on things, it’s going to potentially stop that dead in it’s tracks. You want a $5 pack of LEDs and resistors and a couple of ESP-32 boards? If each item has a 30% or $50 charge on it, no hobbyist is going to buy it.
Personally, I’ve made probably my last orders of sensors and other devices for the near future. I hope I can squeak them in before these tariffs hit, because there will be a lot of things I simply take a loss on otherwise.
Those few places that still fix electronics - the odd CB shop on the interstate - may find themselves priced out of business with parts being taxed at higher rates than the cost of the part.
There’s no perfect solution to this. This seems to be a bit heavier handed than it needs to be, and there’s going to be a lot of pain - and probably some jobs lost here as companies that sprung up to do last mile delivery start stumble and fail. This may even affect big carriers as less import means less traffic.
Who knows what’s going to happen. But, as the great Red Green said: I’m pulling for you, we’re all in this together.
(this was also posted on my LinkedIn profile, both as a comment and a post.)
- 2025
- Apr
- 3
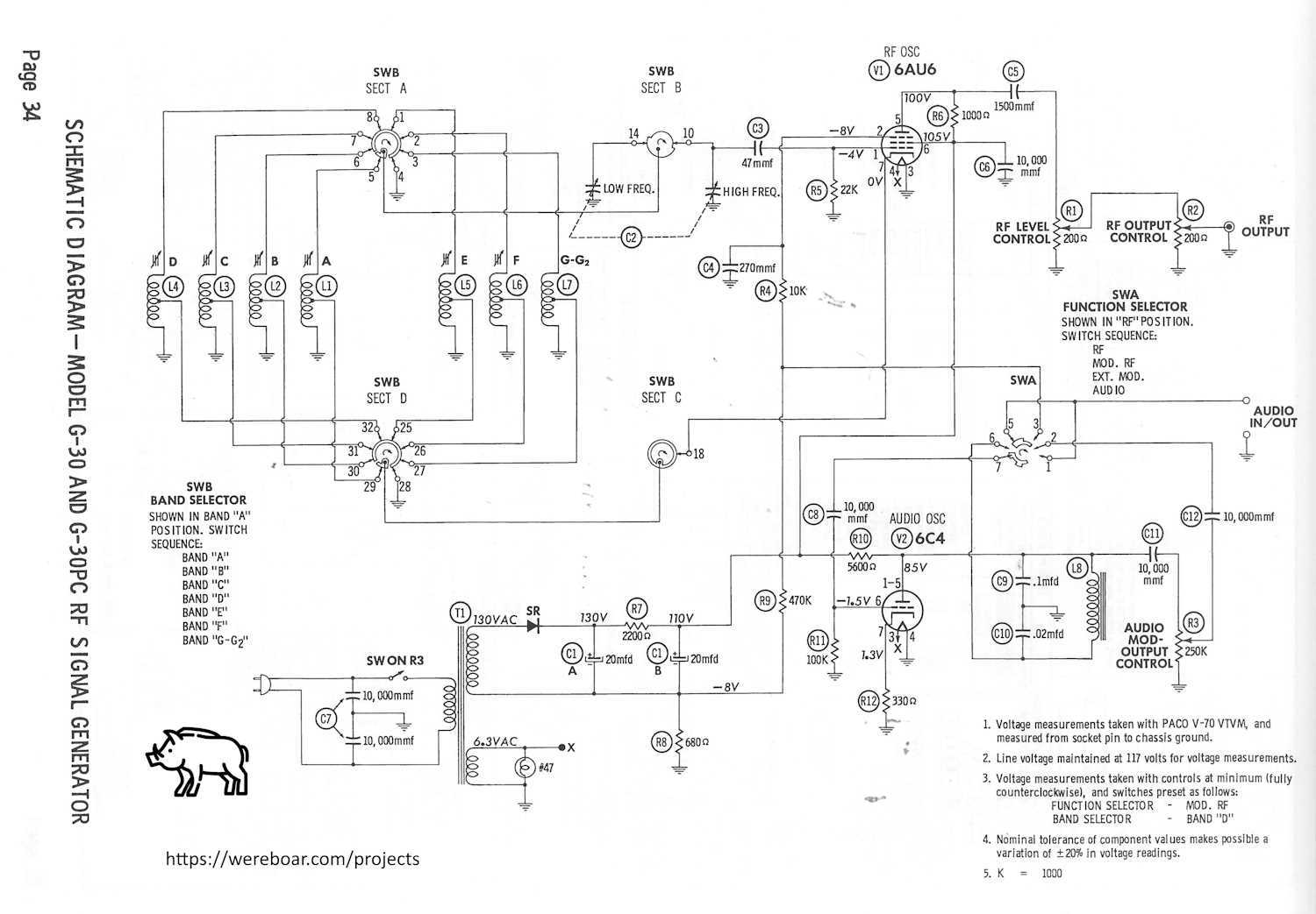
A PACO G-30 RF Signal Generator - Part 3: Parts
For this unit, most of the problematic capacitors have already been replaced, and the rest are disc. There’s no need to replace those, so my rebuild will consist of getting rid of old carbon resistors, the safety capacitor, and the electrolytic mess from the original owner. I’m also going to replace the selenium with a regular diode for future-proofing.
All of the resistors are half-watt, so I’m sticking with the same except for the 2.2k in the power supply. This needs to be increased in value because the diode drops less voltage. I’m also going to increase the wattage here since metal film resistors won’t handle the same kind of surge current a carbon composite will.
If this were a tube rectifier, that wouldn’t be a concern - but with the selenium, an early semiconductor, the voltage is there immediately and there’s a chance the surge current of the capacitors charging will use the resistor as a fuse. Better to get a good old fashioned 5W wire-wound for this one. I’m going to use 3.3k, since another restore I’ve viewed used that and it worked well.
I have some parts already. A new line cord is a must. A diode, some safety capacitors, a couple of filters, and of course all of the freshly cleaned panel knobs. I was going to use some resistors I had in stock, but decided to get something a little different, thus the blurred area. Not going to use those.
In order to help with things, I needed a schematic. While there is one online, it’s scanned with a 100dpi potato and you can’t really see anything. I found a manual online, and the copy there is much better:
This is a small version, if you want the larger version plus the parts lists, all in readable format, you can find them at this link: https://wereboar.com … 0and%20Partslist.zip. This is a zip file with three large scans, suitable for large paper printing.
The rest of the parts have been ordered from Mouser, so I’ll probably be working with this device over the next couple of weeks.
Next part of this series: https://wereboar.com … -4-the-power-supply/
Previous part of this series: https://wereboar.com … r-part-2-revisiting/
- 2025
- Apr
- 2
The 69th Annual CFARC Hamfest is this weekend.
This Saturday marks the sixty-ninth Cuyahoga Falls Amateur Radio Club Hamfest.
Located in the Emidio & Sons Party Center at 48 East Bath Road, Cuyahoga Falls, Ohio, this show has always been pleasantly surprising in the stuff that shows up for sale. It even includes a well stocked “pay what you want” table where people can leave donations and, of course, pay what they want!
If you’re into this kind of thing, and are close by, this is a good show to attend. It’s Saturday, April 5th, from 8AM to about 1PM, and admission is $8. Assuming nothing gets in the way, I’ll have plenty of pictures for you soon.
Promo flyer is located here: https://www.cfarc-ha … fest.org/hamfest.php
See you there!











































