- 2024
- Oct
- 4
The Aerovox Model 97 Inductor-Capacitor Checker
One of the things I picked up at the Cleveland Hamfest was the Aerovox Model 97 from this picture:
It was cheap, it was from a Silent Key estate that a friend was cleaning up, and it had a functioning eye tube - the primary reason I picked this one up. Those aren’t exactly the easiest thing to come by these days, so having a few laying around is probably a good idea.
This is kind of an oddball unit as far as checkers go - most simply use a pair of leads you put across an unknown part. This one is a bit different in that it has an inductively coupled loop that acts as the probe for the device. You place a coil with probe ends across your part and that couples back to the checker - no direct connections are made, so you save the device if the part is charged.
Unfortunately, the probe coil was not present with the device - it may have been buried somewhere in the box it was stored in, but who knows…I don’t have it, and seeing as how this is a very low capacity device, it doesn’t bother me. Any one of the Eico or Heath devices is a bit more useful in this regard.
It did include a manual, which I will enter into the wereboar archives. You can download a copy here (this link is hosted on my webhost provider’s service):
https://wereboar.com … ker%20Manual.pdf.zip
I’ll be doing an internal photo shoot of this device before it goes into parts storage, so stay tuned!
- 2024
- Sep
- 27
An interesting modular digital trainer.
No, this doesn’t help you keep your digimon in check. At least, I don’t think it does…
I picked this interesting digital trainer device up at the recent Cleveland hamfest. Why? I’ve been getting back into experimenting now that I have a bit more time, and I don’t really have something like it. Sure, I have breadboards and things, but this has some amenities like indicators, switches, and a couple of clocks onboard, as well as power supplies. It’s made by a company called Dynalogic, and they specialize in modular breadboard systems for schools - this one even has “University of Toledo” (Ohio) on the bottom.
(Dynalogic has a website, but the last date is 2010. Not sure if they’re still in business or if they just don’t update often.)
It looks like a piece of late 1970s kit with the black case.
The power supplies, while operational, are a little low. 5V was 4.82, and both 15s were 14.4. Probably some bad caps in there, which wouldn’t be surprising for the age. I’ll open it up this winter and give it a check.
Dynalogic’s breadboards are made to be modular, and this one is no different. The black material under the board isn’t static foam, it’s velcro. You buy the base, then put whatever board you want on it - including stuff you make yourself. It’s really an interesting way of doing it, because there’s no special things needed - just put a couple spots of hook on the back and drop it on the box.
This unit appears to require the +5 and +15 volts, which is input at the little jacks on the top left- you’re supposed to run a standard breadboard wire down to them. This gives you a metal contact to tap from and run the rest of the devices on the board. As stated before, it features 8 indicators, 8 switches, 3 clocks, and some prototyping space (the chips on the breadboard were there when purchased and have no relation to the board.) Pretty simple in all, this is enough to do basic circuitry and give you some I/O. Nothing on here except some 555s.
The back of the board indicates that it’s hand soldered. Whether this was from Dynalogic or by a student, I don’t know. But in wasn’t wave soldered, that’s all I can tell you. You can see the velcro hooks.
Overall? This is a nice piece for the few bucks I gave for it, and it was drawing a lot of interest when I took it with me. I think, after cleaning up the supplies, that it will find a nice home on the bench.
- 2024
- Sep
- 24
Pictures from the 2024 Cleveland Hamfest.
As stated earlier, this was my first time attending this show, and I didn’t leave unhappy. It consisted of about 4 rows of vendors in the parking lot, and a small building mostly full of vendors. There was certainly plenty to look at, and prices were generally very reasonable. Everyone was willing to deal, so I’ll blame that for my haul.
The fairgrounds are tucked behind some houses, so we had to make a go-round and get back to the entrance, having turned the wrong direction the first time. But no big deal, we arrived at 8:15 and spent about three hours browsing the warm, sunlit aisles of stuff.
The trip home warranted a stop in Coshocton for lunch and a brew at Wooly Pig, a place I highly suggest you check out if you are in to that sort of thing
Here’s what you’re waiting for, all of the things I saw at the show.
.
Next show may be Piketon, that’s a “If I feel like it” thing. You can check out directions to that show by clicking this link.
Regardless, there’s also MARCS and Fort Wayne, as well as the Antique Show at the state fairgrounds to come. See you there!
- 2024
- Sep
- 19
The McMurdo Silver “Sparx” Model 905 Signal Tracer - Photos
One of the things I like to do before closing up a device (permanently, or for a while) is to do a good photo retrospective showing layouts, parts, etc. It usually will be submitted to someplace for posterity, and displayed here for your enjoyment. You can also check out Radiomuseum, who accepted a number of pictures for their exhibit on the device.
I had to resize these - they were simply too large and were causing some issues.
The 905 tracer is going on display for the moment, so here are some photos of all the goodies inside:
The front of the unit. The pilot lamp was not original on this unit, and this one received a nice LED bulb. I pulled the screen out and knocked the dents out as best I could, you can still see a little wrinkling there.
Here’s the back. Note the big holes for cables at the bottom, this one only has a power cord.
You can reach in and touch the transformer taps. Designed for those who have some sense.
This unit has little dimples for the feet, so no crushed rubber.
The side. It’s…the side.

The device uses a leather handle. It’s still intact, but I’ve tried not to use it.
Here’s some shots of the chassis:
The best part - the tubes are all lit up:
In all, this is a pretty cool device and doesn’t have a lot of things other than it’s basic function of amplifying sound. For now, it’s going to be a showpiece - but eventually it will be used as a small amp in my main room, as I already have a tracer I’m working on rebuilding. I am planning on replacing filters and other electrolytics on this at some point, so stay tuned!
- 2024
- Sep
- 15
An Eico 145 Signal Tracer - Part 5
Before you can put new parts in, you have to take the old parts out. So I did. I decided to just pull everything, clean up the connections, and replace everything all at once. Would I suggest doing it this way? No, not unless you’ve got a decent amount of experience building this kind of device, you have a decent amount of experience in general, or you’ve done this before. It’s better to replace each part individually - but since this chassis was kind of sloppy I decided to do it all at once.
To be honest, this wasn’t put together the best. Some of the components were installed properly, leads through the connection holes and wrapped to make a mechanical connection first. Others were just tacked on and pulled right off with the application of a little heat. Others were simply run willy-nilly with electrical tape and whatever was available. I have to assume that it had been repaired a number of times in it’s past. Hopefully, now that the chassis is clean it will look a little better going back together.
There were a few things left in. Transformers were left connected in some spots, and the jumpers that run around some of the sockets were left in place. All other things were removed.
There are surprisingly few parts in this thing.
I’m planning on measuring some of them later to see how far they’ve drifted, but I did decide to check the electrolytic to see if it was bad or good.
Yeah, they’re ok. Well within the -20/+100% tolerance, but the ESR is creeping up. They’d probably be fine for a while longer but there’s no need to keep them in there.
Something of note here: If you look at the removed parts, right beside the dual-section electrolytic is a little white tube. This is C1, which is supposed to go across the input terminals. Parts list says it’s a mica capacitor, and the drawings seem to show a mini postage stamp. That’s a ceramic tube capacitor - was that original, or did it get replaced at some point in it’s life? It’s old enough that it could be original, but who knows.
Next thing to do it start rebuilding. I may wait a while before I get to that, depends - if this is a rainy fall, a suitably wet Saturday may see this thing put back together. I may also just build each stage on it’s own once I get some suitable wire, and we’ll start with the power supply.
Until then - stay tuned!
Next part of this series: https://wereboar.com … cer-component-notes/
Previous part of this series: https://wereboar.com … ignal-tracer-part-4/
- 2024
- Sep
- 12
The McMurdo Silver “Sparx” Model 905 Signal Tracer - Update
I decided to sit down with this device last night - the intention wasn’t to fix it, but to clean up the pilot lamp wire and get it prepped for a little more troubleshooting this weekend.
Whomever added the pilot lamp did a great job mechanically, but a terrible job electrically. I didn’t take a picture of the “before,” but this is the “after” wire that was removed:

The pilot is tapped off the filament voltage for the eye tube, and all filaments are in parallel. The tube socket for the eye has two eyelets for each pin, so you can do exactly this - but the person just kind of tacked the wires into the holes with a big blob of somewhat cold solder. It worked, but there was pieces flying everywhere and enough solder to do all the pins. I removed that, wicked it clean, re-seated the filament wires for the tube, and continued with my cleanup.
I’m using an LED #47 replacement to keep the current draw low - the device wasn’t designed with a pilot in mind so I want to keep the transformer happy. A 2.7k resistor of the proper vintage and some small heat shrink does the job - the resistor is needed because the LED bulb is blindingly bright, and I wanted to cut it back to a more reasonable “I’m on but not lasering your eyes” brightness.
I probably should have J-hooked a longer wire on to the resistor and moved it closer to chassis to keep AC from flying around, but it’d not enough for me to worry about. There are other filament wires winding all over the place, the little bit of emission from the resistor isn’t going to do squat.
While I was sizing the resistor (I have a junk bin of older parts) I bumped the input 6C4, and the unit crackled to life. I finished up my resistor installation and hooked the signal generator up - 1kHz came blaring out of the speaker. Turns out the sockets are a bit flaky, which is not a surprise for a device that’s looking 80 years old square in the face!
The speaker is a bit rattley, so it (and the filters) will need to be replaced. The screen also needs to be knocked out, so I’ll do the speaker and screen at the same time - assuming I can find a properly sized speaker, that is.
Beyond that - and after a liberal dose of Deoxit to quiet the moving parts - the fire bottles are full of fire and the device is happily spitting out audio from a crystal radio.
A new cord, some maintenance, and this guy is going out in the main room to be used as a small amp. Strap on your cap gun and get your mask, the Lone Ranger is on soon!
- 2024
- Sep
- 10
What were they trying to do here?
Sometimes, you get a piece of equipment and wonder what they were trying to accomplish.
This Heathkit electronic switch (Scope Chopper) has some modifications - one of the channel inputs has been replaced by a switch, resistors, and a power outlet hanging off the back. Some tubes are missing. I have absolutely no idea what they were trying to accomplish here.
While replacing the potentiometer would be easy enough, the 12AU7 and 12AX7 amplifiers are gold right now. Kind of like putting new tires on a $50 car - the tubes make the device far more expensive than the $2 I paid for it.
For now, this will probably go in the spares bin in the event that I can get a better example to use with my scope.
- 2024
- Sep
- 9
The Phaostron 666 Multimeter from 1958.
I recently went to visit a former co-worker who had retired, and was moving. He said “I’ve got decades of junk from my ventures, if you want some come get it.”
Well, come get it I did. In addition to boxes of 1980s ICs, a bunch of random parts, and some test equipment was this unusual example of a meter.
Phaostron, still in business, tended to make ruggedized meters for industry - and this thing is no exception. It probably would have had a case it slid into (long since dust) as evidenced by the slides on the side.
The person said that it was kind of messy inside, and this note was attached. It looks as if he had tried to sell it at some point in the past, probably at a yard sale.
And corroded inside it is. You can see it on the internals even before the case is removed.

It’s hard to see from the lighting, but the case is all brass - even the front, which is a solid chunk of die-cast brass. It was sold as being antimagnetic, which asks the question: what was this thing designed for?
The thing is simply packed with parts. All of the ranges are fused with their own specific size fuse.
But, as noted - it’s a mess inside. Corrosion everywhere. It takes a 15V battery, and a 4.5V mercury cell. None of those are available, but it looks like they leaked at some point in the past. Mercury cells leaking gave the same messy green crud as alkaline cells would, and this one certainly shows it. Also note the wax-paper capacitor tucked down in there. How you’d get to that is a question for someone else.
The other side reveals just as much packed-in parts.
One interesting thing of note - instead of trying to switch the 15A range on the front, the manufacturer used this fiber insulated disc to push a set of contacts together. While the fiber washer is long since passed it’s prime, it’s still an interesting example of how to properly isolate higher currents from the user’s fingers. Note all of the tightly tied cables - this thing was quality crafted.
So, what happens to this device? It’s supposed to have an illuminated scale, powered by the AC line. The power cord is missing, long since removed (or never attached?) but I can see the lamp in there. Perhaps I’ll disconnect and tie off the original wiring and just put some LEDs in there.
I think it would probably look good with low illumination, because at this point it’s probably not going to do anything other than be a display piece, a device that looks and feels like it’s come from the distant retro future. It sits quite happily on the display shelf, behind a small pocket radio of similar vintage.
- 2024
- Sep
- 9
The Findlay Radio Club 2024 Hamfest
The day couldn’t have been any more perfect for this show - it barely got above mid 70s.
However, the show was substantially smaller this year, which is something I’ve noticed about the regional shows as we get further into 2024. There’s just not as many vendors showing up. That could be because the economy is turning to crap - some of these guys just come to see friends and BS with people, the sales being a “hey I made some cash, nice!” side effect. The crashing economy also seems to have reduced prices - I picked up some things that would have been a lot more expensive just a few years ago (and still are being sold on eBay for outrageous sums!)
Regardless, there were still some things to be seen and had, and this show rarely disappoints. This is some of the good stuff I looked at this year.
.
Next show is either the Massillon show - if I can get to it, or the Fort Wayne show, which always rounds out the year for my fest-goings.
See you there!
- 2024
- Sep
- 3
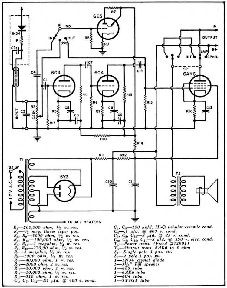
The McMurdo Silver “Sparx” Model 905 Signal Tracer
I was recently browsing a local antique mall for an unrelated purchase when I came across a booth with a lot of electronics. Near the back was some test equipment - this unusual signal tracer being a part of that display. It was cheap enough, so I picked it up, noting the name and asking where I had heard that before.
Turns out that this was made by McMurdo Silver, a company known for producing visually stunning and electrically over-engineered radios. I’m not going to go into those here, but there’s plenty of information online as they have quite the fandom.
This is just a signal tracer. It would have had a crystal diode probe at one time for tracking down audio in a RF signal, or simply following it through the amplifiers after demodulation. It does all the usual signal tracker things, like amplifies, gives you a visual indication via the eye tube, allows you to tap the plate and B+ of the final amp, etc. Nothing unusual here, other than the manufacturer.
Tube lineup is pretty simple, consisting of a 5Y3 rectifier, two 6C4 amps, a 6AK6 power final, and the 6E5 eye. The 5Y3 is somewhat hard to get, and the 6E5 is unobtanium. I’ll probably try and pick up some spares at Findlay, if they’re available.
Beyond that, you can see a little of McMurdo’s over-engineering in this device as well. The lever function switches on the front are pretty stout for consumer gear. But the back is another story, the cord simply goes into a large hole where you could easily reach in and touch the transformer taps!
The front panel is sparse, but there’s an anomaly here. The literature for the unit shows a lamp above the speaker. This one has the lamp off to the side - but is it original? I have not opened it up to see how it’s connected. The schematic for the device doesn’t even seem to show a lamp!
I did give it a quick try. It lights up. There’s no hum of any sort, so I’m not sure if it works, but fortunately I have another signal tracer to check my signal tracer with!
I was sent some literature on the device, so if this is yours and you don’t want it here, or need attribution, poke me on mastodon.
An article from Radio News, published in 1946. Note the lamp placement on the front panel.
“Sparx at work” from Radio Service Dealer, 1947. This article talks about using the instrument and it’s probe construction.
There’s not much more to say about this device other than stay tuned - I’ll fire it up some weekend later this year and see what it does.
Well…either that or I’ll fire it up immediately after I wrote this post. No hum, but I get noise when I switch the output selector. I assume the speaker and output transformer are working, at least. There’s a dozen things this could be, so it goes on the bench to work with right after the other signal tracer gets rebuilt.
I did take a minute to investigate the lamp placement. It appears this was added after the fact, but not that long after as the wire type matches what’s in the unit itself. This will need some cleanup as well, as it wasn’t installed in the best manner.
















































