- 2023
- Dec
- 22
Stabilizing the oscillator in the IM-1212 Meter
One of the problems with the Heathkit IM-1212 / Bell&Howell IMD-202-2 meter is the oscillator is made of crap-tier parts, and has a problem drifting all over the place. 10% carbon comp resistors and who knows what capacitors make up the parts complement. While that was probably fine for the age, a few dollars more could have made this at least a decent instrument for it’s time.
The main problem here is the parts are not temperature stable. For example, the meter I just recently acquired (see https://wereboar.com … ter-for-some-reason/) came in to the shop cold from being in a delivery van. It was allowed to warm up a little and plugged in. Oscillator was sitting at 94. It drifted down to 79 as it warmed up, and then back up to 88 - all in the course of an hour. That’s not good when you’re relying on that signal to generate the timing for your counts!
There’s not much to the oscillator. A couple of transistors for the oscillator itself, an inhibit transistor to start and stop the counter, and the passives that make up the oscillator circuit itself.
Here’s what we’re interested in:
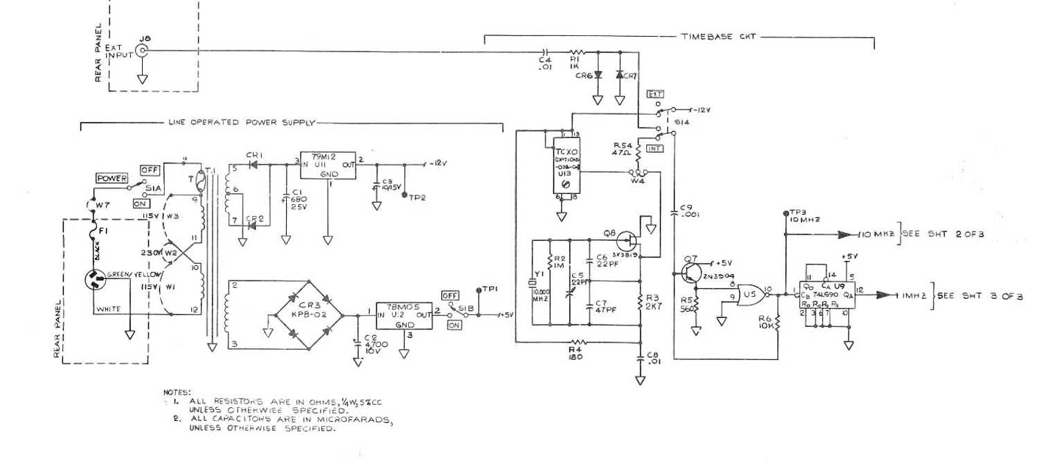
There are two 3.3k 5% resistors, a 15k 10% resistor, an 8.2k 5% resistor, and two 0.0022uF capacitors. What’s the PPM drift for temperature on any of these parts? “Yes.”
So, off to Mouser we go!

Are these parts overkill? You bet. These are “Parts exceed value of device.” But they’re not really that expensive these days. So…why not? It’s mostly to satisfy my own curiosity to see if it really does make a difference in how the unit operates. If not…oh well, I learn something either way.
(The 15k pot may get replaced with something better - I was thinking of bringing it out to the back panel somehow, since it’s the main pain point.)
I do have some lesser quality (but still better than what’s in there!) parts, if I get ambitious I may replace some stuff before the actual parts arrive. Stay tuned!
- 2023
- Dec
- 21
Another IM-1212 Meter. For some reason.
Not really, I wanted to have one for both the 5V and 12V rails on my network rack. Sure, I could just switch back and forth between the two voltages, but where’s the cool in that?
This one is actually a Bell & Howell IMD-202-2, and has a much cooler aqua blue case. It’s in nice shape, and for some reason didn’t get bid to oblivion like others I’ve seen on that not-as-popular auction site. (Last one I tried to get started at a reasonable $8 and went to almost $70 + shipping. That’s insane!)
This one also came with a manual, which I may try to scan and place here. There’s some confusion as to if the manuals for Heathkit-derived instruments are under copyright, so we’ll see.
This one needs calibrated, of course. The oscillator adjust drifted from 94 when I turned it on, to 79, then back to 85 as things stabilized. 85, of course, is where it’s supposed to be but I have no idea where the zero and DC pots are currently set. It’s currently running with a slow AC on it just to warm up, and I’ll do a cal on it this weekend.
I’d like to find a few more since the ZM1000 NIXIE tubes, once common as dirt, are now scarce because clocks.
- 2023
- Dec
- 15
All of the documents currently in wereboar’s archive.
I’ve posted a number of manuals and things over the past few years, and they’re scattered around the site. Here’s all of them to date, this list will be updated as new ones are added.
Since this was originally posted, I’ve added a document share to this site that contains everything that I post about (and have a document for.) Find it here: https://wereboar.com … r=wereboar-documents
For the most part, the OX Drive documents have been removed.
Please share, but let them know where you found it. Come visit this little pig!
- 2023
- Dec
- 15
The Regency EC-175 Frequency Counter Manual
I recently acquired (and had a scan request for) the manual for the Regency EC-175 Frequency Counter that I’ve posted about here.
If you’d like a copy, this is the owner/operator/basic service manual for the device. I’m not sure a service manual with schematics was ever released, this manual seems to indicate that it should be sent back to Regency for repair (don’t they all?) However, being a piece of test equipment that was supposed to be used for FCC compliance operation, it’s not surprising that Regency may not have wanted to release service data.
You can find the manual here: https://wereboar.com … ers%20Manual.pdf.zip
I’ve also submitted this to the BAMA manual archive https://bama.edebris … com/manuals/regency/. The owner has added it to the site’s manuals for your viewing pleasure.
- 2023
- Dec
- 9
I have to fix the equipment before I fix the equipment.
Earlier this year, I went to the Cuyahoga Falls hamfest and brought home a Regency EC-175 frequency counter. This device has a OCXO in order to maintain a low PPM deviation for FCC compliance use. It’s really kind of an odd piece for Regency, and was going for next to nothing.
https://wereboar.com … yahoga-falls-hamfest
![]()
The Regency counter works, but is off by a considerable margin. I suspect this is probably just the 10MHz oven needing some adjustment.
My plan was to poke around inside of it and determine what was what, as I don’t have a service or operators manual. (I’ve since found an operators manual and will post it as soon as possible.) I was planning on using a cheap Lodestar signal generator and my Fluke 1910A 125MHz frequency counter to try and bring the Regency into adjustment.
So I set up, and…the Fluke counter doesn’t work. It will work as an up-counter, but won’t count frequency input. Hitting the “CHK” button, I get nothing:
![]()
This should be showing me the internal 10MHz clock. I play with various things and get nothing.
Time to open it up.
![]()
Nothing looks burnt. The section I need is underneath the RF cover, so off it comes. The parts in question, according to the schematic, are at the back of the unit near the metal backplate.

![]()
But before we get into those parts, a quick power supply check is in order. There are two voltages, +5 and -12.
+5 = 5.02
-12 = -11.80
The -12V is a TO-5 can device, and is pretty warm. I’m not sure if that’s supposed to be like that, but since -12 isn’t in the oscillator circuit, I’m going to ignore it for now. The logic supply of +5 is fine, however, so we’re good there.
The parts I’m going to be interested in here are :
U5
Q7 (under the heat-shrunk connector in the foreground)
Q8
Y1
I’m not really worried about U9 here because if I don’t have any 10MHz, I’m not goign to have any 1MHz. U9 is a divide by 10, so we’ll worry about that when and if 10MHz is available.
U5 pin 10 should be 10MHz. There’s nothing, so move back.
Q7 Base should be 10MHz. There’s nothing there, either.
I’m now going to switch the counter to EXT mode, as to remove those two parts from the circuit.
Q8 is an interesting part here. It’s a JFET, and the schematic appears to show a 2N3819. (It actually looks like SN3819, which isn’t a valid number.) However, that’s not what’s in the unit. I have a J310 VHF JFET which has a different pinout.

Always be careful, sometimes manuals you find online contain older or newer revisions of the device you’re using!
This confused me at first, because I was trying to test it like a 2N3819 and was getting a short on Gate to Drain, Pin 2 to 1. What I was actually reading was Drain to Source, which should be a somewhat low resistance. In this case, I had 37 ohms. That’s probably fine for a JFET, since Drain and Source are mostly the same slab of silicon. Without pulling this guy out and testing in an active tester, I assume it’s good.
No capacitors appear to be shorted. The few resistors in the circuit are fine for what they are, and are well within tolerance.
That just leaves the crystal. I don’t really have any way of testing it. I can try capacitance, but the resistors in the circuit will ruin that low pF measurement, so the only way is to pull it out.
The conclusion is the oscillator isn’t. The assumption here is the crystal is bad. Maybe cracked or internally damaged from time or handing? I don’t know - I’m going to try and obtain something similar to swap in and see if it works. There’s also a possibility I could find a cheap TXCO or OXCO to put in the area where Fluke would have mounted a TXCO, which should provide a better device.
That assumes the device is operational up front. These aren’t known for being reliable as they age, perhaps I’m just wasting my time with this. But I know where the problem lies, so there’s no harm in getting a few dollars in parts to try and make it work again.
- 2023
- Dec
- 3
An MMD1 8080 Trainer
This guy was given to me, well, probably in the late 90s because it was missing it’s 8224 clock chip. The person that gave it to me, since deceased, didn’t really want to go through the trouble of finding one so he asked if I’d like the device instead. Sure, why not.
I eventually found an 8224 on a device at a show, and put it in recently. I then realized that, unlike most other trainers, this one has no LED numeric displays! Well… the HALT LED will light and extinguish if I play with the keyboard, so I assume something is going on since it didn’t do that before. I thought about dumping the monitor ROM, but someone has already done that. I also need to investigate the power supply, it has a very loud hum and may need some modernization.
It’s nothing really special, just another one of many 8080 trainers that were available on the market. It will go beside my FOX Z80 trainer and my BellMAC 8 device for display. After it gets a little cleanup, of course, the thing was filthy when I got it and I have not done a thing with it.
The monitor ROM and some other information is presented here: http://www.decodesystems.com/mmd1.html
- 2023
- Dec
- 1
Random board shot: The Bell (Model?) Telephone Desk Speaker
My grandfather worked for the Bell System Long Lines division for his entire career, and I worked for one of Ma’s manufacturing locations just before it got spun off into the atrocity called Lucent Technologies, so Bell memorabilia is kind of an interesting thing to me. I remember all kinds of things in my grandparent’s home that you couldn’t necessarily get as a consumer - one of those being desk speakers on every phone in the place. And there were many many phones, apparently being wired without incurring the Bell System’s multi-device charges!
This desk speaker, while not one of his (all of those vanished…) it’s very similar. Not sure of the model here, it resembles a 107A but has an on/off switch along side the regular volume control.
The old Bell System logo resides here, being much more visually appealing than the later, minimal logo.
The inside, of course, is all Bell parts. Speakers and microphone were made by or for Bell, capacitors from the Hawthorne Works, and even the plastic case and metal parts were probably stamped out and molded by a Bell facility. It’s a simple line powered amp and mic, used in place of the handset.
My mother tells me stories of having her father (my grandfather) call in from where ever he was working at the time (he traveled the country doing line installs) and having the entire family gather around one of these speakers. When you worked for the phone company, making long-distance calls didn’t cost you anything from the job site, apparently!
The most interesting thing about this device, of course, is the PCB. Right there it is, the orange Textolite “T” indicating that the raw circuit board itself was made in Coshocton at the 2nd Street GE plant, just a stone’s throw from where my grandfather’s depot was based.
It amazes me how far, and how near products from this plant roamed. They’re in almost everything made in the USA up until the 80s. All of that, of course, is gone - something we’ll probably be sorry we did one day (soon!)
- 2023
- Nov
- 26
A Heathkit IM-1212 from the Fort Wayne Hamfest - making it work again.
One of the things I picked up at the Fort Wayne hamfest was a Heathkit IM-1212 NIXIE DVM. This device was sold as a kit, and was also known as the Bell & Howell IMD 202-2, as well as a DeVry branded unit. They were all the same, with different branding on the front panel.
The device itself is a 2 1/2 digit meter, and uses discrete components - all ICs are common TTL stuff - to do it’s work. It’s not the most accurate thing in the world, but I imagine it was designed to help you learn about A/D conversion and other concepts while giving you a device that you could (mostly) use at the end.
This unit was sold as working, which I verified with a 120VAC inverter/battery pack from the tool company in the harbor. I offered the guy a $20 for it, which he accepted and I took my purchase home.
It’s not in bad shape for the age, a bit of discoloration on the front panel and the obligatory tape residue on the top of the device.
![]()
It came with the original instruction manual, which is useful for troubleshooting any issues.

All of the tubes are nice and bright like it doesn’t have many hours on it. Even the NE-211 bulbs that are normally shot don’t exhibit any flickering or problems ionizing.
![]()
I did notice a few issues, there’s a rattle inside. Something is broken. The negative jack is also loose, which is probably just a nut come loose. The device also doesn’t respond to any input - something to do with the loose negative jack, perhaps?
Time to open the top cover. Notice the line of big beige resistors on the left and the one blue specimen at the bottom? These are calibration resistors, and one had apparently broken at some point, as the rattle was the remains of an old part. The original owner hadn’t removed the debris for some reason.
You’ll also notice there’s a number written on the paper cover. This is the DC calibration voltage as provided by Heath. It’s wrong, so ignore it and get a good 3 2/3 digit meter and measure the DC cal point. Mine turned out to be 1.901, so I used that later during calibration.
![]()

I discarded the broken pieces and looked at the negative jack. Sure enough, the nut was backed off, and that was because the cheap plastic threads on the jack were worn. While it tightened up, one more turn would knock it back. That will have to be replaced if I want to put this into service, but I think where it’s going it will be connected and let set as a monitor device.
The loose jack was also the cause of the no reading issue. The loose jack and solid wire insured the wire itself broke. That was an easy fix, just a quick re-solder and we’re back in business.
![]()
Time to hook it up to a power supply and see what it reads. It’s close, I guess for something of unknown quality it’s fine. As I stated earlier, these weren’t known for being the most accurate of devices, nor were they known for staying where you put them. Fortunately, the DC calibration is pretty easy, just requiring the device having been on for some time to temperature stabilize.
![]()
I’ve already posted the DC calibration procedure for someone, so if you haven’t read it you can do so here: https://wereboar.com … t-im-1212-nixie-dvm/
I don’t think there’s much more to say about this device that hasn’t been said already by many others. I’m planning on making a small board that switches between the different voltages in my network rack, so that may show up at some point. Until then, stay tuned for pictures from Fort Wayne and the Scott Antique Market at the Ohio Expo.
- 2023
- Nov
- 23
DC Calibration of the Heathkit IM-1212 NIXIE DVM
The Heathkit IM-1212 DVM is a 2 1/2 digit multimeter sold by Heathkit (obviously!) as well as under the Bell&Howell name as the IMD 202-2. They are the same unit with a different name on the front. I’ve also been told that DeVry had one marked with their name as well, but I’ve not seen one of those.
(Hi hobbyshoppin…will copy the actual relevant portions of the manual for you next week!)
These are not the most accurate meters, and are hard to keep in cal. DC calibration is fortunately, fairly easy.
We’re interested in 4 spots in this meter, indicated by the red outlines in the image. They are, from left to right:
1: The DC CAL test point.
2: The OSC adjustment.
3: The ZERO adjustment.
4: The DC CAL adjustment.
![]()
(click on the image to enlarge)
What you’ll need:
A small flatblade screwdriver to turn pots. A plastic alignment tool will work best if you have it.
A meter with at least 3 1/2 digits of accuracy
A cliplead
Start by removing the screws for the cover. Look inside and make sure nothing looks burnt or damaged. If you’re good, put the cover back on, and apply power to the unit. Turn it on, and set it to DC Volts, “2” range.
Let it set with power on. The manual suggests 15-30 minutes warmup time, but I say give it a few days. You want this thing to be as warm as it’s going to get. Just let it set. It needs to be nice and temperature stable.
When it’s warmed up, remove the top cover. Start by looking at the paper on the transformer. There’s probably a number written there. Ignore it. That’s the DC CAL voltage as suggested by Heath. It’s wrong.
With your negative lead on the black jack on the front (all measurements are in reference to this jack) measure the DC voltage on the DC CAL test point. It should be 1.9xx-ish. It may be 2.xxx or 1.8xx, but note that to 3 digits. For example, mine states 1.936V, but the actual measurement was 1.901V. Note your voltage somewhere for later use.
Note: This voltage is generated by two crappy carbon comp resistors, so it’s going to drift as well. If you have something with a known voltage around 1.9V, then use it instead!
Jumper the red and black jacks. Using the ZERO adjustment, turn it until you get to 0.01, and then turn it until it JUST goes to 0.00. Heath suggests that at this point, the reading should flicker between 0.00 and 0.01. I usually just set it to 0.00 and don’t worry about it.
This part isn’t in the manual. I don’t know if it will help, but it may get you closer to the specified oscillator value…
Change to KOHMS and open the top. Let it set for a while open circuit so you’re getting the oscillator number. When it’s stopped changing, note it. Put the cover back on and observe the drift. When it’s stopped drifting, note this value as well. When you have the top off to adjust the oscillator, adjust it so that you’re accounting for the drift - i.e. if it drifts up, set it X counts lower, etc.
Or, just do what the manual says and…
Remove the jumper and change the input to KOHMS. The OVER lamp should be lit at this point, you want an open circuit. Using the OSC adjustment, adjust so the display reads .85.
Change back to DC Volts. Connect the red jack to the DC CAL test point. Adjust the DC CAL adjustment so the meter reads as close to your measured voltage as possible. Round the number based on the last digit of your measured voltage. Round up for 6, down for 5.
At this point, you should be able to get a good DC measurement out of the device. Be aware that it’s not very accurate, and on the 20 range you’re going to have a +/- of 0.5V. You may want to go through and adjust things again later after the unit has warmed up more, but you’re never going to get a super accurate reading out of this device.
That’s it for DC. If you want to do the rest of the calibration, I’ve copied the relevant portions of the manual and placed them here:
- 2023
- Nov
- 21
Notes from the Fort Wayne Hamfest
Fort Wayne was pretty good this year, and I have a lot of pictures to process and upload.
In the meantime here’s a bit on a device I picked up. It’s a 2 1/3 digit DVM made by … I don’t know. I’ve seen it sold as Heathkit, Bell&Howell, and others. It’s not the most accurate thing in the world, but it was easy to put together and looks to be a good tool for teaching basic A/D concepts. It’s very drift-y, and from what I can tell was known to be such even when it was new. It’s still cool, however.
It required some minor work and adjustments to get it up and running, which I’ve documented and will post later - but in the meantime, here’s the device doing integrations on a low speed sine wave. It counts as fast as the TTL silicon will allow it.
(If the below gif doesn’t play, click on it.)

Stay tuned for more electronics junk good stuff!